おかげさまで開設25周年DEV.YTCHEALTHCARE.COM 創業祭

DEV.YTCHEALTHCARE.COM

詳しくはこちら
マイストア マイストア 変更
  • 即日配送
  • 広告
  • 取置可能
  • 店頭受取

HOT ! k*1様 真空管アンプ/6AQ5シングル・アンプ/6AR5兼用(自作品)/予備球

※DEV.YTCHEALTHCARE.COM 限定モデル
YouTuberの皆様に商品の使い心地などをご紹介いただいております!
紹介動画はこちら

ネット販売
価格(税込)

15370

  • コメリカード番号登録、コメリカードでお支払いで
    コメリポイント : 3ポイント獲得

コメリポイントについて

購入個数を減らす
購入個数を増やす

お店で受け取る お店で受け取る
(送料無料)

受け取り店舗:

お店を選ぶ

近くの店舗を確認する

納期目安:

13時までに注文→17時までにご用意

17時までに注文→翌朝までにご用意

受け取り方法・送料について

カートに入れる

配送する 配送する

納期目安:

2026.03.13 14:50頃のお届け予定です。

決済方法が、クレジット、代金引換の場合に限ります。その他の決済方法の場合はこちらをご確認ください。

※土・日・祝日の注文の場合や在庫状況によって、商品のお届けにお時間をいただく場合がございます。

即日出荷条件について

受け取り方法・送料について

カートに入れる

欲しいものリストに追加

欲しいものリストに追加されました

k*1様 真空管アンプ/6AQ5シングル・アンプ/6AR5兼用(自作品)/予備球の詳細情報

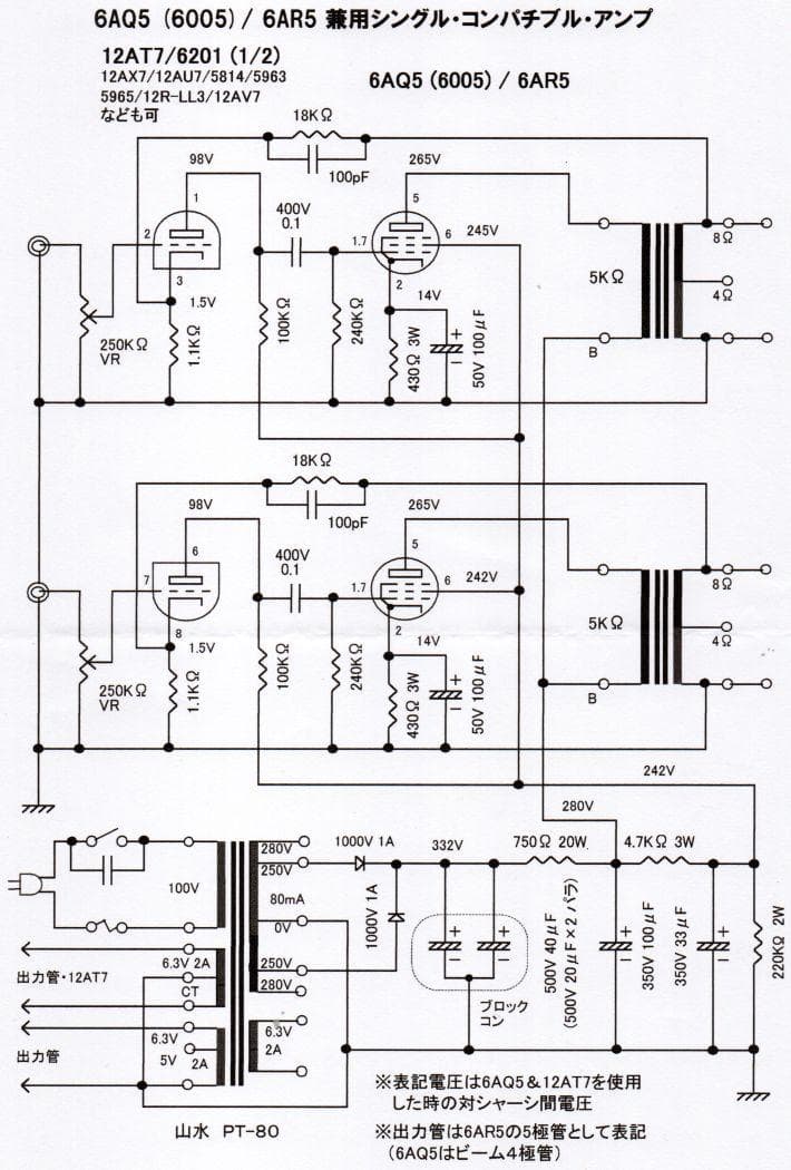
■6V6と同じ電気特性のMT管6AQ5(6005)を使った、完成したばかりの自作のシングル・アンプです。■今回は、出品前に6AQ5と6AR5の兼用のコンパチブル・アンプに変更しました。■6AQ5としては、自己バイアス抵抗は、もう少し低いほうが良いのですが、電源トランスのB電源容量が80mAのため、プレート電流を抑えて動作を軽くするために430Ωとしました。6AR5も同じくらいの出力になります。プレート電流をもう少し多くすれば4W以上の出力が出るのですが、6AR5兼用なので3Wで十分です。■適応スピーカーは6~8Ωです。■出来るだけ能率の高いスピーカーを使用してください(90dB以上)■6AR5でも聞きたいときは6AR5は別にお求めください。■予備球として6AQ5と、12AT7を各1本付けておきます。■裏蓋はありません。■このアンプの詳細はブログでも紹介しています。☆値下げ☆ BOSE 1705Ⅱ パワーアンプ ステージモニターアンプ。出品のため製作しました。最終価格 Sansui プリメインアンプAU-607。SANSUI AU-α707L EXTRA プリメインアンプ 中古ジャンク。回路定数は、ほぼ6AR5に合わせていますが、6AR5の場合は出力トランスの1次側が7KΩが良いのですが、5KΩでも良しとします。★PMA-390RE DENON(デノン) 超美品! リモコン付き アンプ。【ジャンク品】DENON PMA-50 電源不良。(この値で6AR5もそのまま挿し替えて兼用できます)この時の6AQ5の動作ですが、この回路だと第2グリッド電流が約2mA流れますので、プレート電流は約30mAとなり、6AQ5としては軽い動作ですが、最大出力はちょうど3Wです。アンプ Roland CUBE Street。デジタルアンプ AIYIMA A70 MAX 2台 新品同様。6AQ5使用で最大出力時の入力感度は約0.8Vでした。NishiTubes 様用 TELEFUNKEN EL156 真空管 6点セット。NEC 50C-A10真空管。■初段管は12AT7(6201)を基準管としましたが、この回路定数のままで、各部の電圧配分と入力感度は変わりますが、12AX7や、12AU7、5814、5963、5965、12R-LL3、12AV7などもそのまま差し替え出来るよう、プレート抵抗を100KΩ、カソード抵抗を1.1KΩとしました。【完動品】Victor ビクター プリメインアンプ A-X900(2103)。Telefunken GE 真空管12AX7 ECC83 ECC82 4本セット。■ハムはスピーカーに耳を押しあてても全くの無音です。@ 引取割引 サンスイ プリメインアンプ AU-D607F EXTRA。②Victor プリメインアンプJA-S35 ビクター パワーメーターLED。■高級な部品は使用していませんが、音の傾向は6V6に似ていますがシャープさが加わった聴きやすい真空管らしい音です。KENWOOD GE-7 ステレオグラフィックイコライザー  動作良好。真空管 6550B 出力管 SVETLANA 製品 2本。■木枠は手作業によるもので塗装に少しムラがあります。整備済 ONKYO オンキョー Integra A-812XG 取説付。真空管 2本 ムラード ECC82 12AU7 BVA ブリマー 新品?未使用?。■自作者の責任として回路図を添付します。サンスイステレオアンプAU-707。完動品 Kenwood KAF-7002 プリメインアンプ いい音。https://ameblo.jp/hirochan-amp/entry-12952299992.html

同じカテゴリの 商品を探す

ベストセラーランキングです

このカテゴリをもっと見る

この商品を見た人はこんな商品も見ています

近くの売り場の商品

このカテゴリをもっと見る

カスタマーレビュー

オススメ度  4.3点

現在、4263件のレビューが投稿されています。